Product Summary
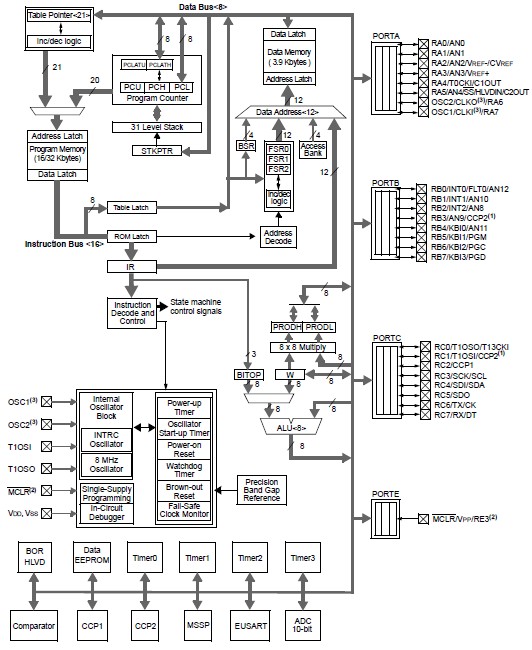
The PIC18F4520-IP is an Enhanced Flash Microcontroller. It offers the advantages of all PIC18 microcontroller– namely, high computational performance at an economical price – with the addition of highendurance, Enhanced Flash program memory. On top of these features, the PIC18F4520-IP introduces design enhancements that makes the microcontroller a logical choice for many highperformance, power sensitive applications.
Parametrics
PIC18F4520-IP maixmum ratings: (1)Program Memory Type: Flash; (2) Program Memory (KB): 32; (3) CPU Speed (MIPS): 10 A; (4) RAM Bytes: 1,536 A; (5) Data EEPROM (bytes): 256 A; (6) Digital Communication Peripherals: 1-A/E/USART, 1-MSSP(SPI/I2C); (7) Capture/Compare/PWM Peripherals: 1 CCP, 1 ECCP; (8) Timers 1 x 8-bit, 3 x 16-bit; (9) ADC: 13 ch, 10-bit; (10)Comparators: 2 V; (11)Temperature Range (C): -40 to 125 V; (12)Operating Voltage Range (V): 2 to 5.5 V; (13)Pin Count: 40.
Features
PIC18F4520-IP features: (1)Up to 10 MIPS performance; (2)C compiler optimized RISC architecture; (3)8 x 8 Single Cycle Hardware Multiply.
Diagrams

![]() |
![]() PIC1018SCL |
![]() Other |
![]() |
![]() Data Sheet |
![]() Negotiable |
|
||||||||||||
![]() |
![]() PIC10F200 |
![]() Other |
![]() |
![]() Data Sheet |
![]() Negotiable |
|
||||||||||||
![]() |
![]() PIC10F200-E/MC |
![]() Microchip Technology |
![]() 8-bit Microcontrollers (MCU) 384B Flash16B RAM 4 I/O |
![]() Data Sheet |
![]()
|
|
||||||||||||
![]() |
![]() PIC10F200-E/OT |
![]() Other |
![]() |
![]() Data Sheet |
![]() Negotiable |
|
||||||||||||
![]() |
![]() PIC10F200-E/P |
![]() Microchip Technology |
![]() 8-bit Microcontrollers (MCU) U 579-PIC10F200-I/P |
![]() Data Sheet |
![]() Negotiable |
|
||||||||||||
![]() |
![]() PIC10F200-I/MC |
![]() Microchip Technology |
![]() 8-bit Microcontrollers (MCU) 0.375KB Fl 16B RAM |
![]() Data Sheet |
![]()
|
|
||||||||||||
(Hong Kong)









