Product Summary
The MC68HC705B16CFN is an 8-bit, low-cost single chip microcomputer (MCU). The MC68HC705B16CFN contains an on-chip oscillator, CPU, RAM, ROM, EEPROM, A/D converter, pulse length modulated outputs, I/O, serial communications interface, programmable timer system and watchdog. The fully static design allows operation at frequencies down to dc to further reduce the already low power consumption to a few micro-amps.
Parametrics
MC68HC705B16CFN absolute maximum ratings: (1)Supply voltage, VDD: – 0.5 to +7.0 V; (2)Input voltage (Except VPP1) VIN: VSS – 0.5 to VDD + 0.5 V; (3)Input voltage, Self-check mode (IRQ pin only), VIN: VSS – 0.5 to 2VDD + 0.5 V; (4)Operating temperature range, TA: –40 to +85℃; (5)Storage temperature range, TSTG: – 65 to +150℃; (6)Current drain per pin (excluding VDD and VSS), Source, ID: 25mA; Sink: 45mA.
Features
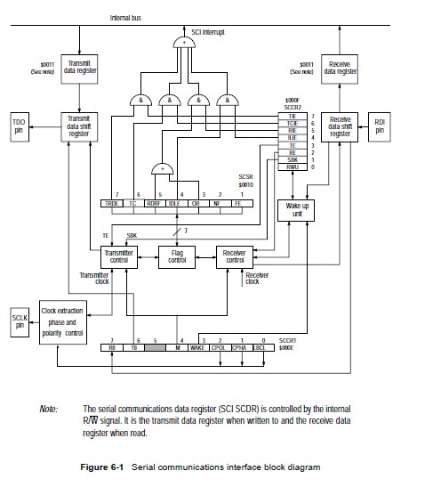
MC68HC705B16CFN features: (1)Standard NRZ (mark/space) format; (2)Advanced error detection method with noise detection for noise duration of up to 1/16th bit time; (3)Full-duplex operation (simultaneous transmit and receive); (4)32 software selectable baud rates; (5)Different baud rates for transmit and receive; for each transmit baud rate, 8 possible receive baud rates; (6)Software selectable word length (eight or nine bits); (7)Separate transmitter and receiver enable bits; (8)Capable of being interrupt driven; (9)Transmitter clocks available without altering the regular transmitter or receiver functions; (10)Four separate enable bits for interrupt control Receiver wake-up function (idle line or address bit); (11)Idle line detection; (12)Framing error detection; (13)Noise detection; (14)Overrun detection; (15)Receiver data register full flag Transmit data register empty flag; (16)Transmit complete flag; (17)Send break.
Diagrams

| Image | Part No | Mfg | Description | ![]() |
Pricing (USD) |
Quantity | ||||
|---|---|---|---|---|---|---|---|---|---|---|
![]() |
![]() MC68HC705B16CFN |
![]() Freescale Semiconductor |
![]() IC MCU 2.1MHZ 15K OTP 52-PLCC |
![]() Data Sheet |
![]() Negotiable |
|
||||
| Image | Part No | Mfg | Description | ![]() |
Pricing (USD) |
Quantity | ||||
![]() |
![]() MC6800 |
![]() Other |
![]() |
![]() Data Sheet |
![]() Negotiable |
|
||||
![]() |
![]() MC6801 |
![]() Other |
![]() |
![]() Data Sheet |
![]() Negotiable |
|
||||
![]() |
![]() MC68020 |
![]() Other |
![]() |
![]() Data Sheet |
![]() Negotiable |
|
||||
![]() |
![]() MC68020CEH16E |
![]() Freescale Semiconductor |
![]() Microprocessors (MPU) 32-BIT MPU |
![]() Data Sheet |
![]() Negotiable |
|
||||
![]() |
![]() MC68020CEH25E |
![]() Freescale Semiconductor |
![]() Microprocessors (MPU) 32-BIT MPU |
![]() Data Sheet |
![]() Negotiable |
|
||||
![]() |
![]() MC68020CRC16E |
![]() Freescale Semiconductor |
![]() Microprocessors (MPU) 32-BIT MPU |
![]() Data Sheet |
![]() Negotiable |
|
||||
(Hong Kong)










