Product Summary
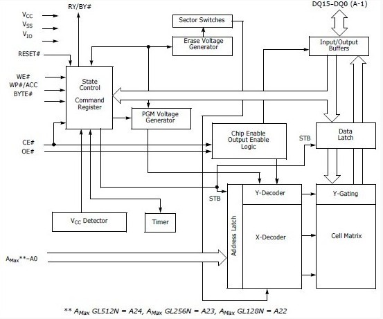
The S29GL512N10TFI01 is a 3.0V single power flash memory manufactured using 110 nm MirrorBit technology. The S29GL512N10TFI01 is a 512 Mbit, organized as 33,554,432 words or 67,108,864 bytes. The S29GL512N10TFI01 has a 16-bit wide data bus that can also function as an 8-bit wide data bus by using the BYTE input. The S29GL512N10TFI01 can be programmed either in the host system or in standard EPROM programmers.
Parametrics
S29GL512N10TFI01 absolute maximum ratings: (1)Storage Temperature, Plastic Packages: -65℃ to +150℃; (2)Ambient Temperature with Power Applied: -65℃ to +125℃; (3)Voltage with Respect to Ground:; (4)VCC: -0.5 V to +4.0 V; (5)VIO: -0.5 V to +4.0 V; (6)A9, OE, and ACC: -0.5 V to +12.5 V; (7)All other pins: -0.5 V to VCC + 0.5V; (8)Output Short Circuit Current: -200 mA.
Features
S29GL512N10TFI01 features: (1)3 volt read, erase, and program operations; (2)Manufactured on 110 nm MirrorBit process technology; (3)100,000 erase cycles per sector typical; (4)20-year data retention typical; (5)25 mA typical active read current;; (6)50 mA typical erase/program current; (7)1 μA typical standby mode current; (8)Advanced Sector Protection; (9)WP/ACC input accelerates programming time (when high voltage is applied) for greater throughput during system production. Protects first or last sector regardless of sector protection settings; (10)Hardware reset input (RESET) resets device; (11)Ready/Busy output (RY/BY) detects program or erase cycle completion.
Diagrams

![]() |
![]() S29GL016A |
![]() Other |
![]() |
![]() Data Sheet |
![]() Negotiable |
|
||||||||||
![]() |
![]() S29GL01GP |
![]() Other |
![]() |
![]() Data Sheet |
![]() Negotiable |
|
||||||||||
![]() |
![]() S29GL01GP11FAIR10 |
![]() Spansion |
![]() Flash IC 1GIG 3.0V FLSHMEM |
![]() Data Sheet |
![]()
|
|
||||||||||
![]() |
![]() S29GL01GP11FAIR20 |
![]() Spansion |
![]() Flash 1GB 3.0-3.6V 110ns |
![]() Data Sheet |
![]()
|
|
||||||||||
![]() |
![]() S29GL01GP11FFCR10 |
![]() Spansion |
![]() Flash 1GB 3.0-3.6V 110ns PBF |
![]() Data Sheet |
![]()
|
|
||||||||||
![]() |
![]() S29GL01GP11FFCR20 |
![]() Spansion |
![]() Flash 1GB 3.0-3.6V 110ns PBF |
![]() Data Sheet |
![]()
|
|
||||||||||
(Hong Kong)








