Product Summary
The GBJ35M is the 35A glass passivated single-phase bridge rectifier.
Parametrics
GBJ35M absolute maximum ratings: (1)RMS Reverse Voltage: 700V; (2)Average Rectified Output Current @TC = 100℃(Note 1): 35 A; (3)Non-Repetitive Peak Forward Surge Current 8.3ms Single half sine-wave superimposed on rated load (JEDEC Method): 350 A; (4)Forward Voltage per diode@IF = 17.5A: 1.1 V; (5)Peak Reverse Current @TA = 25℃: 10μA; (6)Peak Reverse Current At Rated DC Blocking Voltage @TA = 125℃: 350μA; (7)Typical Thermal Resistance per leg (Note 2): 22 ℃/W; (8)Typical Thermal Resistance per leg (Note 1): 1.0 ℃/W; (9)Operating and Storage Temperature Range: -55 to +150℃.
Features
GBJ35M features: (1)Glass Passivated Die Construction; (2)Low Forward Voltage Drop; (3)High Current Capability; (4)High Reliability; (5)High Surge Current Capability; (6)deal for Printed Circuit Boards; (7)Recognized File # E157705.
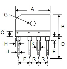
Diagrams

![]() |
![]() GBJ35005-BP |
![]() |
![]() IC RECT BRIDGE GPP 35A 50V GBJ |
![]() Data Sheet |
![]()
|
|
||||||||||||||||||||||
![]() |
![]() GBJ3501-BP |
![]() |
![]() IC RECT BRIDGE GPP 35A 100V GBJ |
![]() Data Sheet |
![]()
|
|
||||||||||||||||||||||
![]() |
![]() GBJ3502-BP |
![]() Micro Commercial Components (MCC) |
![]() Bridge Rectifiers 200V,35A |
![]() Data Sheet |
![]()
|
|
||||||||||||||||||||||
![]() |
![]() GBJ3506-BP |
![]() Micro Commercial Components (MCC) |
![]() Bridge Rectifiers 600V,35A |
![]() Data Sheet |
![]()
|
|
||||||||||||||||||||||
![]() |
![]() GBJ3508-BP |
![]() Micro Commercial Components (MCC) |
![]() Bridge Rectifiers 800V, 35A |
![]() Data Sheet |
![]()
|
|
||||||||||||||||||||||
![]() |
![]() GBJ3510-BP |
![]() |
![]() IC RECT BRIDGE GPP 35A 1000V GBJ |
![]() Data Sheet |
![]()
|
|
||||||||||||||||||||||
(Hong Kong)








