Product Summary
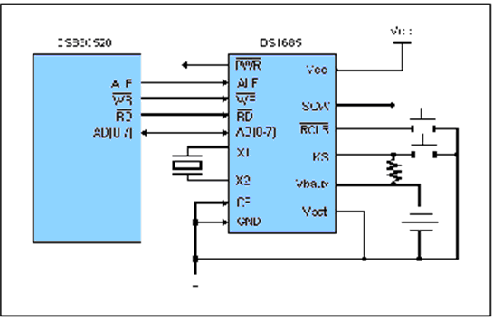
The DS1687-5 is a real-time clocks (RTC) designed as successors to the industry-standard DS1285,DS1385, DS1485, and DS1585 PC RTCs. These devices provide the industry-standard DS1285 clock function witheither +3.0V or +5.0V operation. The DS1685 also incorporates a number of enhanced features including a siliconserial number, power-on/off control circuitry, 242 bytes of user NV SRAM, and 32.768kHz output for sustainingpower management activities.
Parametrics
DS1687-5 absolute maximum ratings: (1)Voltage Range on Any Pin Relative to Ground: 0.3V to +6V; (2)Operating Temperature Range, Commercial: 0°C to +70°C Operating Temperature Range, Industrial: -40°C to +85°C ; (3)Storage Temperature Range: EDIP -40°C to +85°C PDIP, SO, TSSOP -55°C to +125°C; (4)Lead Temperature (soldering, 10s): +260°C(Note: EDIP is hand or wave-soldered only.); (5)Soldering Temperature (reflow): +260°C.
Features
DS1687-5 features: (1)+3V or +5V Operation; (2)64-Bit Silicon Serial Number; (3)Power-Control Circuitry Supports System; (4)Power-On from Date/Time Alarm or Key Closure; (5)32kHz Output for Power Management; (6)Crystal-Select Bit Allows RTC to Operate with 6pF or 12.5pF Crystal; (7)SMI Recovery Stack; (8)242 Bytes Battery-Backed NV RAM; (9)Auxiliary Battery Input.
Diagrams

| Image | Part No | Mfg | Description | ![]() |
Pricing (USD) |
Quantity | ||||||||||||
|---|---|---|---|---|---|---|---|---|---|---|---|---|---|---|---|---|---|---|
![]() |
![]() DS1687-5IND+ |
![]() Maxim Integrated Products |
![]() Real Time Clock 3V/5V RTC |
![]() Data Sheet |
![]()
|
|
||||||||||||
![]() |
![]() DS1687-5IND |
![]() Maxim Integrated Products |
![]() Real Time Clock 3V/5V RTC |
![]() Data Sheet |
![]()
|
|
||||||||||||
![]() |
![]() DS1687-5+ |
![]() Maxim Integrated Products |
![]() Real Time Clock 3V/5V RTC |
![]() Data Sheet |
![]() Negotiable |
|
||||||||||||
![]() |
![]() DS1687-5 |
![]() Maxim Integrated Products |
![]() Real Time Clock 3V/5V RTC |
![]() Data Sheet |
![]()
|
|
||||||||||||
(Hong Kong)










