Product Summary
The RTL8201CL is a single-port Phyceiver with an MII (Media Independent Interface)/SNI (Serial Network Interface). The RTL8201CL implements all 10/100M Ethernet Physical-layer functions including the Physical Coding Sublayer (PCS), Physical Medium Attachment (PMA), Twisted Pair Physical Medium Dependent Sublayer (TP-PMD), 10Base-Tx Encoder/Decoder and Twisted Pair Media Access Unit (TPMAU). A PECL interface is supported to connect with an external 100Base-FX fiber optical transceiver. The chip of RTL8201CL is fabricated with an advanced CMOS process to meet low voltage and low power requirements. Further more, RTL8201CL is developed with on chip Digital Signal Processing technology to ensure excellent performance under all operating conditions.
Parametrics
RTL8201CL absolute maximum ratings: (1)Supply Voltage: 3.0V to 3.6V; (2)Storage Temp: -55℃ to 125℃; (3)Vcc: 3.3V; (4)Operating Temperature, TA: 0℃ to 70℃.
Features
RTL8201CL features: (1)Supports MII/7-wire SNI (Serial Network Interface) interface; (2)Supports 10/100Mbps operation; (3)Supports half/full duplex operation; (4)Support of twisted pair or Fiber mode output; (5)IEEE 802.3/802.3u compliant; (6)Supports IEEE 802.3u clause 28 auto negotiation; (7)Supports power down mode; (8)Supports operation under Link Down Power Saving mode; (9)Supports Base Line Winder (BLW) compensation; (10)Supports repeater mode; (11)Speed/duplex/auto negotiation adjustable; (12)3.3V operation with 5V IO signal tolerance; (13)Low operation power consumption and only need single supply 3.3V; (14)Adaptive Equalization; (15)25MHz crystal/oscillator as clock source; (16)Multiple network status LED support; (17)Flow control ability support to co-work with MAC (by MDC/MDIO); (18)48 pin LQFP package.
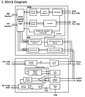
Diagrams

| Image | Part No | Mfg | Description | ![]() |
Pricing (USD) |
Quantity | ||||
|---|---|---|---|---|---|---|---|---|---|---|
![]() |
![]() RTL8201CL |
![]() Other |
![]() |
![]() Data Sheet |
![]() Negotiable |
|
||||
| Image | Part No | Mfg | Description | ![]() |
Pricing (USD) |
Quantity | ||||
![]() |
![]() RTL8019 |
![]() Other |
![]() |
![]() Data Sheet |
![]() Negotiable |
|
||||
![]() |
![]() RTL8019AS |
![]() Other |
![]() |
![]() Data Sheet |
![]() Negotiable |
|
||||
![]() |
![]() RTL8019AS-LF |
![]() Other |
![]() |
![]() Data Sheet |
![]() Negotiable |
|
||||
![]() |
![]() RTL8029AS |
![]() Other |
![]() |
![]() Data Sheet |
![]() Negotiable |
|
||||
![]() |
![]() RTL8100B(L) |
![]() Other |
![]() |
![]() Data Sheet |
![]() Negotiable |
|
||||
![]() |
![]() RTL8100C |
![]() Other |
![]() |
![]() Data Sheet |
![]() Negotiable |
|
||||
(Hong Kong)









