Product Summary
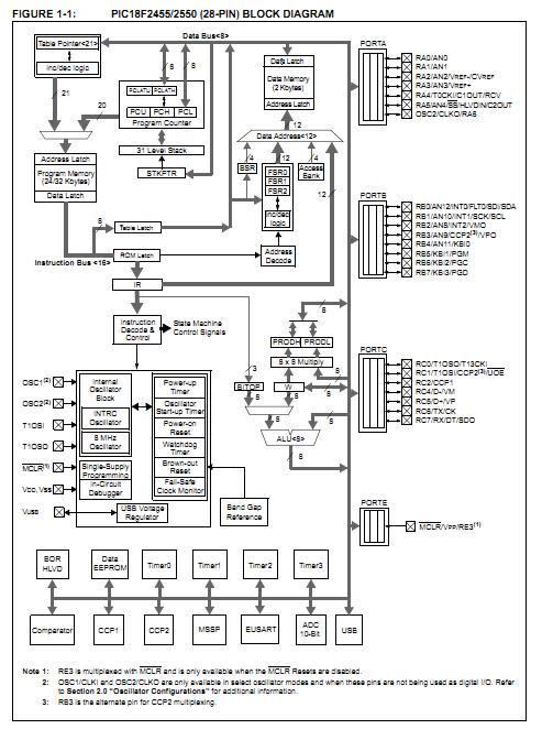
The PIC18F2550-I is a High Performance, Enhanced Flash, USB Microcontroller with nanoWatt Technology. The PIC18F2550-I offers the advantages of all PIC18 microcontrollers – namely, high computational performance at an economical price – with the addition of high endurance, Enhanced Flash program memory. In addition to these features, the PIC18F2550-I introduces design enhancements that make the controller a logical choice for many high-performance, power sensitive applications.
Parametrics
PIC18F2550-I absolute maximum ratings: (1)Ambient temperature under bias: -40 to +85℃; (2)Storage temperature: -65 to +150℃; (3)Voltage on any pin with respect to VSS (except VDD, MCLR and RA4): -0.3V to (VDD + 0.3V); (4)Voltage on VDD with respect to VSS: -0.3V to +7.5V; (5)Voltage on MCLR with respect to VSS: 0V to +13.25V; (6)Total power dissipation: 1.0W; (7)Maximum current out of VSS pin: 300 mA; (8)Maximum current into VDD pin: 250 mA; (9)Input clamp current, IIK (VI < 0 or VI > VDD): ±20 mA; (10)Output clamp current, IOK (VO < 0 or VO > VDD): ±20 mA; (11)Maximum output current sunk by any I/O: 25 mA; (12)Maximum output current sourced by any I/O pin: 25 mA; (13)Maximum current sunk by all ports: 200mA; (14)Maximum current sourced by all ports: 200 mA.
Features
PIC18F2550-I features: (1)USB V2.0 Compliant; (2)Low Speed (1.5 Mb/s) and Full Speed (12 Mb/s); (3)Supports Control, Interrupt, Isochronous and Bulk Transfers; (4)Supports up to 32 Endpoints (16 bidirectional); (5)1-Kbyte Dual Access RAM for USB; (6)On-Chip USB Transceiver with On-Chip Voltage Regulator; (7)Interface for Off-Chip USB Transceiver; (8)Streaming Parallel Port (SPP) for USB streaming transfers (40/44-pin devices only).
Diagrams

| Image | Part No | Mfg | Description | ![]() |
Pricing (USD) |
Quantity | ||||||||||||
|---|---|---|---|---|---|---|---|---|---|---|---|---|---|---|---|---|---|---|
![]() |
![]() PIC18F2550-I/SO |
![]() Microchip Technology |
![]() 8-bit Microcontrollers (MCU) 32kBF 2048RM FSUSB2 |
![]() Data Sheet |
![]()
|
|
||||||||||||
![]() |
![]() PIC18F2550-I/SP |
![]() Microchip Technology |
![]() 8-bit Microcontrollers (MCU) 32kBF 2048RM FSUSB2 |
![]() Data Sheet |
![]()
|
|
||||||||||||
![]() |
![]() PIC18F2550-I/SPREL |
![]() Other |
![]() |
![]() Data Sheet |
![]() Negotiable |
|
||||||||||||
(Hong Kong)










