Product Summary
The A5P-203V is an AC solid state relay.
Parametrics
A5P-203V absolute maximum ratings: (1)Rated Load Voltage: 120/240VACrms; (2)Maximum Load Current: 3 AACrms; (3)Maximum Load Voltage: 264 VACrms; (4)Peak Non Repetitive Off State Voltage: 600 V; (5)Peak 1 Cycle Surge Current: I 40 (50Hz) A; (6)Frequency: 50/60 Hz; (7)Maximum Input Voltage: 24 VDC; (8)Input Impedance: 1500±20%Ω; (9)VACrms Dielectric Strength: 2,500/1min.(Between input and output)(Rh40~60%); V type 3,000 /1min.(Between input and output)(Rh40 ~ 60 %); (10)Isolation Resistance: 108 and above DC500V(Between input and output)(Rh40~60%) Ω; (11)Operating Temperature Range:-20~+80 2,500/1min.(Between input and output)(Rh40~60%)℃ ; (12)Storage Temperature Range:-30~+1002,500/1min.(Between input and output)(Rh40~60%)℃.
Features
A5P-203V features: (1)Resin casted molding type; (2)Available for PCB high-density packaging; (3)Dielectric strength between input and output at 3,000V/1 min. (V type); (4)3-24V input voltage; (5)UL/CSA/TUV standard approved (some items are not approved); (6)400V is available with A5P-403.
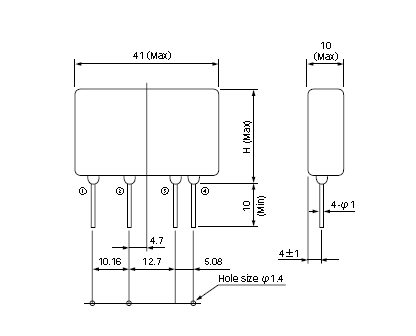
Diagrams

(Hong Kong)






