Product Summary
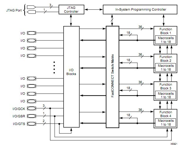
The XC9572-15PCG44C is a high-performance CPLD providing advanced in-system programming and test capabilities for general purpose logic integration. The XC9572-15PCG44C is comprised of four 36V18 Function Blocks, providing 1,600 usable gates with propagation delays of 7.5ns.
Parametrics
XC9572-15PCG44C absolute maximum ratings: (1)VCC Supply voltage relative to GND: -0.5 to 7.0 V; (2)VIN DC input voltage relative to GND: -0.5 to VCC + 0.5 V; (3)VTS Voltage applied to 3-state output with respect to GND: -0.5 to VCC + 0.5 V; (4)TSTG Storage temperature: -65 to +150℃; (5)TSOL Max soldering temperature (10 s @ 1/16 in = 1.5 mm): +260℃.
Features
XC9572-15PCG44C features: (1)7.5 ns pin-to-pin logic delays on all pins; (2)fCNT to 125 MHz; (3)72 macrocells with 1,600 usable gates; (4)Up to 72 user I/O pins; (5)Enhanced pin-locking architecture; (6)Extensive IEEE Std 1149.1 boundary-scan (JTAG) support; (7)Programmable power reduction mode in each macrocell; (8)Slew rate control on individual outputs; (9)User programmable ground pin capability; (10)Extended pattern security features for design protection; (11)High-drive 24 mA outputs; (12)3.3 V or 5 V I/O capability; (13)Advanced CMOS 5V FastFLASH technology.
Diagrams

| Image | Part No | Mfg | Description |  | Pricing (USD) | Quantity | ||||||||||||||||
|---|---|---|---|---|---|---|---|---|---|---|---|---|---|---|---|---|---|---|---|---|---|---|
|  |  XC9572-15PCG44C |  |  IC CPLD 72MCRCELL 15NS 44PLCC |  Data Sheet |  Negotiable |  | ||||||||||||||||
| Image | Part No | Mfg | Description |  | Pricing (USD) | Quantity | ||||||||||||||||
|  |  XC9500 |  Other |  |  Data Sheet |  Negotiable |  | ||||||||||||||||
|  |  XC9500XV |  Other |  |  Data Sheet |  Negotiable |  | ||||||||||||||||
|  |  XC9501 |  Other |  |  Data Sheet |  Negotiable |  | ||||||||||||||||
|  |  XC9502 |  Other |  |  Data Sheet |  Negotiable |  | ||||||||||||||||
|  |  XC9503 |  Other |  |  Data Sheet |  Negotiable |  | ||||||||||||||||
|  |  XC9503B093AR-G |  |  IC REG BUCK ADJ 1A DL 10MSOP |  Data Sheet |  
 |  | ||||||||||||||||
 (Hong Kong)
 (Hong Kong) 
                         
                        
 
                                    




