Product Summary
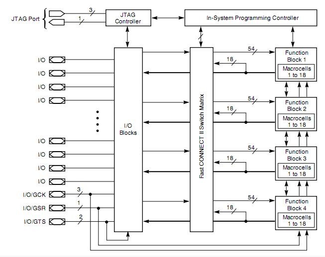
The XC9572XL-10VQG44C is a 3.3V CPLD targeted for high-performance, low-voltage applications in leading-edge communications and computing systems. It is comprised of four 54V18 Function Blocks, providing 1,600 usable gates with propagation delays of 5 ns.
Parametrics
XC9572XL-10VQG44C absolute maximum ratings: (1)Supply voltage relative to GND:–0.5V to 4.0V; (2)Input voltage relative to GND:–0.5V to 5.5V; (3)Voltage applied to 3-state output:–0.5V to 5.5V; (4)Storage temperature (ambient):–65℃ to +150℃; (5)Junction temperature:+150℃.
Features
XC9572XL-10VQG44C features: (1)5 ns pin-to-pin logic delays; (2)System frequency up to 178 MHz; (3)72 macrocells with 1,600 usable gates; (4)Available in small footprint packages:44-pin PLCC (34 user I/O pins),44-pin VQFP (34 user I/O pins),48-pin CSP (38 user I/O pins),64-pin VQFP (52 user I/O pins),100-pin TQFP (72 user I/O pins),Pb-free available for all packages; (5)Optimized for high-performance 3.3V systems:Low power operation, 5V tolerant I/O pins accept 5V, 3.3V, and 2.5V signals,3.3V or 2.5V output capability, Advanced 0.35 micron feature size CMOS Fast FLASH technology; (6)In-system programmable; (7)Superior pin-locking and routability with Fast CONNECT II switch matrix; (8)Extra wide 54-input Function Blocks; (9)Up to 90 product-terms per macrocell with individual product-term allocation; (10)Local clock inversion with three global and one product-term clocks; (11)Individual output enable per output pin; (12)Input hysteresis on all user and boundary-scan pin inputs; (13)Bus-hold circuitry on all user pin inputs; (14)Full IEEE Standard 1149.1 boundary-scan (JTAG) ; (15)Fast concurrent programming; (16)Slew rate control on individual outputs; (17)Enhanced data security features; (18)Excellent quality and reliability.
Diagrams

| Image | Part No | Mfg | Description | ![]() |
Pricing (USD) |
Quantity | ||||||||||||||||
|---|---|---|---|---|---|---|---|---|---|---|---|---|---|---|---|---|---|---|---|---|---|---|
![]() |
![]() XC9572XL-10VQG44C |
![]() |
![]() IC CPLD 72MCRCELL 10NS 44VQFP |
![]() Data Sheet |
![]()
|
|
||||||||||||||||
| Image | Part No | Mfg | Description | ![]() |
Pricing (USD) |
Quantity | ||||||||||||||||
![]() |
![]() XC9500 |
![]() Other |
![]() |
![]() Data Sheet |
![]() Negotiable |
|
||||||||||||||||
![]() |
![]() XC9500XV |
![]() Other |
![]() |
![]() Data Sheet |
![]() Negotiable |
|
||||||||||||||||
![]() |
![]() XC9501 |
![]() Other |
![]() |
![]() Data Sheet |
![]() Negotiable |
|
||||||||||||||||
![]() |
![]() XC9502 |
![]() Other |
![]() |
![]() Data Sheet |
![]() Negotiable |
|
||||||||||||||||
![]() |
![]() XC9503 |
![]() Other |
![]() |
![]() Data Sheet |
![]() Negotiable |
|
||||||||||||||||
![]() |
![]() XC9503B093AR-G |
![]() |
![]() IC REG BUCK ADJ 1A DL 10MSOP |
![]() Data Sheet |
![]()
|
|
||||||||||||||||
(Hong Kong)










