Product Summary
The LM78L05ACM three terminal positive regulator is available with several fixed output voltages making them useful in a wide range of applications. When used as a zener diode/resistor combination replacement, the LM78L05ACM usually results in an effective output impedance improvement of two orders of magnitude, and lower quiescent current. The regulator can provide local on card regulation, eliminating the distribution problems associated with single point regulation. The voltages available allow the LM78L05ACM to be used in logic systems, instrumentation, HiFi, and other solid state electronic equipment. The LM78L05ACM is available in the plastic TO-92 (Z) package, the plastic SO-8 (M) package and a chip sized package (8-Bump micro SMD) using National’s micro SMD package technology. With adequate heat sinking the regulator can deliver 100 mA output current. Current limiting is included to limit the peak output current to a safe value. Safe area proprotection for the output transistors is provided to limit internal power dissipation. If internal power dissipation of the LM78L05ACM becomes too high for the heat sinking provided, the thermal shutdown circuit takes over preventing the IC from overheating.
Parametrics
LM78L05ACM absolute maximum ratings: (1)Power Dissipation: Internally Limited; (2)Input Voltage: 35V; (3)Storage Temperature: -65℃ to +150℃; (4)Operating Junction Temperature: SO-8 0℃ to 125℃; (5)micro SMD: -40℃ to 85℃; (6)Soldering Information; (7)Infrared or Convection (20 sec.): 235℃; (8)Wave Soldering (10 sec.): 260℃ (lead time); (9)ESD Susceptibility: 1kV.
Features
LM78L05ACM features: (1)LM78L05 imicro SMD package; (2)Output voltage tolerances of ±5% over the temperature range; (3)Output current of 100 mA; (4)Internal thermal overload protection; (5)Output transistor safe area protection; (6)Internal short circuit current limit; (7)Available iplastic TO-92 and plastic SO-8 low profile packages; (8)No external components; (9)Output voltages of 5.0V, 6.2V, 8.2V, 9.0V, 12V, 15V.
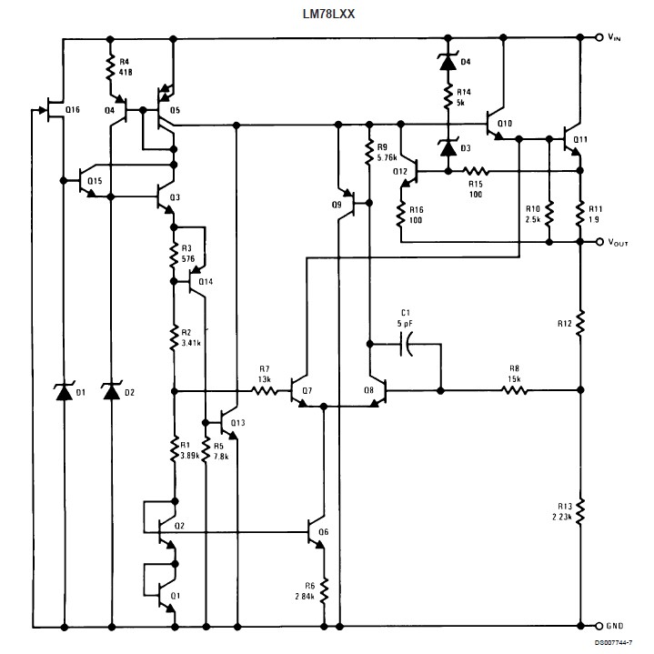
Diagrams

| Image | Part No | Mfg | Description | ![]() |
Pricing (USD) |
Quantity | ||||||||||||
|---|---|---|---|---|---|---|---|---|---|---|---|---|---|---|---|---|---|---|
![]() |
![]() LM78L05ACM |
![]() National Semiconductor (TI) |
![]() Linear Regulators - Standard |
![]() Data Sheet |
![]()
|
|
||||||||||||
![]() |
![]() LM78L05ACM/NOPB |
![]() National Semiconductor (TI) |
![]() Linear Regulators - Standard 3-Terminal Pos Reg |
![]() Data Sheet |
![]()
|
|
||||||||||||
![]() |
![]() LM78L05ACMX/NOPB |
![]() National Semiconductor (TI) |
![]() Linear Regulators - Standard 3-TERMINAL POSITIVE REGULATORS |
![]() Data Sheet |
![]()
|
|
||||||||||||
![]() |
![]() LM78L05ACMX |
![]() National Semiconductor (TI) |
![]() Linear Regulators - Standard |
![]() Data Sheet |
![]()
|
|
||||||||||||
(Hong Kong)










