Product Summary
The AD8044ARZ is a quad, low power, voltage feedback, highspeed amplifier designed to operate on +3 V, +5 V, or±5 V supplies. It has true single-supply capability with an input voltage range extending 200 mV below the negative rail and within1V of the positive rail. 5V2.5V0V2 s1VVS =+5VFigure 1. Output Swing: Gain= –1, RL=2 kWThe output voltage swing extends to within 25 mV of each rail,providing the maximum output dynamic range. Additionally, it features gain flatness of 0.1 dB to 12 MHz, while offering differential gain and phase error of 0.04% and 0.22% on a single +5 Vsupply. This makes the AD8044 useful for video electronics,such as cameras, video switchers, or any high speed portableequipment. The AD8044ARZs low distortion and fast settling makeit ideal for active filter applications.
Parametrics
AD8044ARZ absolute maximum ratings: (1)Supply Voltage: +12.6 V; (2)Internal Power Dissipation: Plastic DIP Package (N) 1.6 Watts; Small Outline Package (R): 1.0 Watts; (3)Input Voltage (Common-Mode): ±VS ± 0.5 V; (4)Differential Input Voltage: ±3.4 V; (5)Output Short Circuit Duration: Observe Power Derating Curves; (6)Storage Temperature Range (N, R) : –65℃ to +125℃ Lead Temperature Range (Soldering 10 sec): +300℃.
Features
AD8044ARZ features: (1)Input Voltage Range Extends 200 mV Below GroundNo Phase Reversal with Inputs 1 V Beyond SuppliesLow Power of 2.75 mA/Amplifier; (2)High Speed and Fast Settling on +5 V: 150 MHz –3 dB Bandwidth (G = +1); 170 V/ s Slew Rate40 ns Settling Time to 0.1%Good Video Specifications (RL=150, G=+2): Gain Flatness of 0.1 dB to 12 MHz; 0.06% Differential Gain Error; 0.15 Differential Phase Error; (3)Low Distortion: –68 dBc Total Harmonic at 5 MHz; (4)Outstanding Load Drive Capability: Drives 30 mA 0.5 V from Supply Rails.
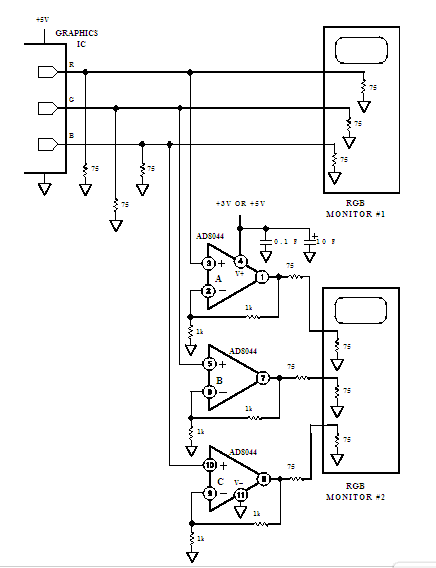
Diagrams

| Image | Part No | Mfg | Description | ![]() |
Pricing (USD) |
Quantity | ||||||||||||||||||
|---|---|---|---|---|---|---|---|---|---|---|---|---|---|---|---|---|---|---|---|---|---|---|---|---|
![]() |
![]() AD8044ARZ-14 |
![]() |
![]() IC OPAMP VF R-R QUAD LP 14SOIC |
![]() Data Sheet |
![]()
|
|
||||||||||||||||||
![]() |
![]() AD8044ARZ-14-REEL |
![]() |
![]() IC OPAMP VF R-R QUAD LP 14SOIC |
![]() Data Sheet |
![]()
|
|
||||||||||||||||||
![]() |
![]() AD8044ARZ-14-REEL7 |
![]() |
![]() IC OPAMP VF R-R QUAD LP 14SOIC |
![]() Data Sheet |
![]()
|
|
||||||||||||||||||
(Hong Kong)









